INSPECT NODE
Schneider
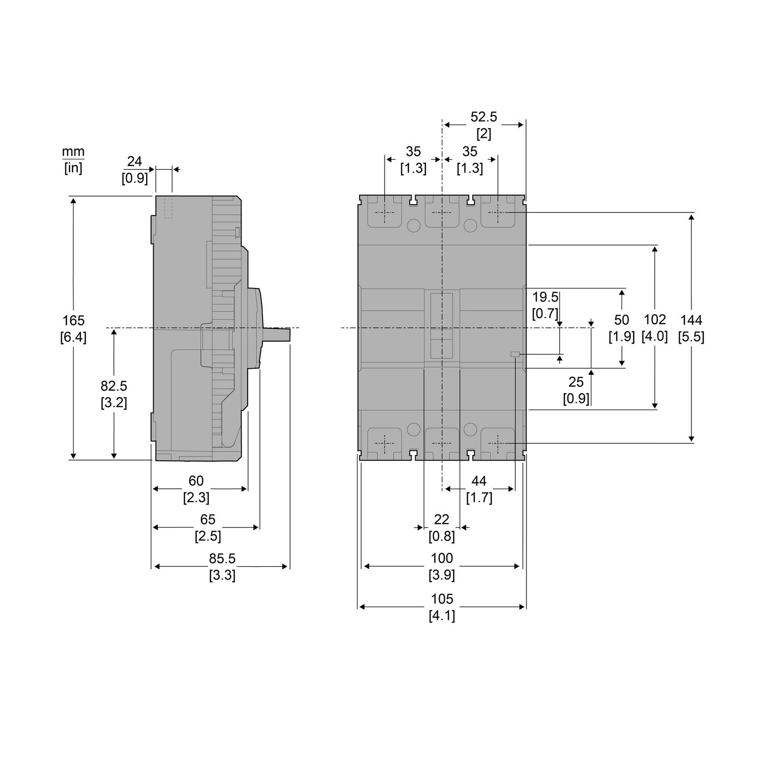
MCCB EZC250N3125 MG 25K415V 3P 125A
MOD: EZC250N3125 MG 25K415V 3P 125A
₹5,654
DOWNLOAD DATASHEET